Datablad AR12DX-230V stroomrelais
De stroombasis A wordt ingesteld met de onderste draaischakelaar A. Als basiswaarden kan men kiezen uit 0,1A, 0,3 A, 0,6A, 0,9A, 1,5 A, 1,9A, 3,0A en 3,2A.
De vermenigvuldigingsfactor xA wordt ingesteld met de middelste draaischakelaar xA en ligt tussen 1 en 10. Daardoor kunnen stroomsterktes vanaf 0,1A (stroombasis 0,1A en vermenigvuldigingsfactor 1) ingesteld worden.
De afvalvertraging RV kan, met de bovenste draaischakelaar RV, ingesteld worden tussen 0 en 120 seconden.
De hysteresis is vast ingesteld met ca 25%.
Aanduiding van de schakeltoestand door middel van een LED.
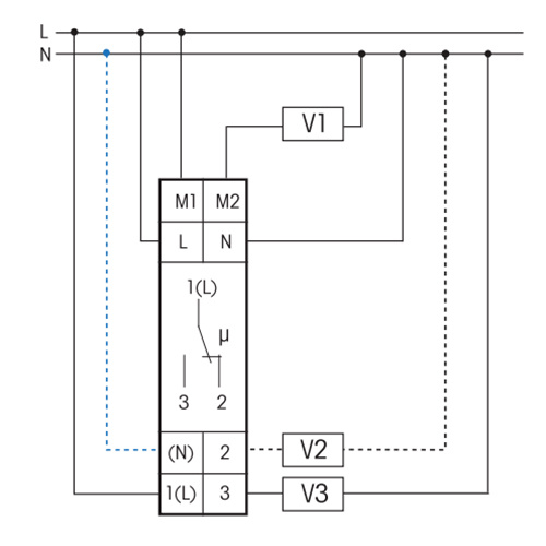
De meetingang M1-M2 is galvanisch gescheiden ten opzichte van de voeding L-N en het werkcontact 1(L)-2/3.
Grotere waarden dan 32A kunnen via een externe stroomtransformator aangepast worden. 
Met de Eltako-Duplex-technologie kunnen de normaalgezien potentiaalvrije contacten bij het schakelen van 230V AC 50Hz toch in de nuldoorgang schakelen en zodoende slijtage van de contacten drastisch verminderen.
Om dit te realiseren moet men gewoon de N-draad aan de klem (N) en L aan de klem 1(L) aansluiten. Dit resulteert wel in een bijkomend stand-by verlies van slechts 0,1Watt.
Bij gebruik van het contact voor het sturen van schakeltoestellen, die zelf niet in de nuldoorgang schakelen, mag (N) niet aangesloten worden omdat de bijkomende sluitvertraging anders het tegendeel bewerkstelligt.
| Specificatie | Waarde | 
|---|---|
| Breedte | 18 Millimeter (mm) | 
| Hoogte | 58 Millimeter (mm) | 
| Diepte | 58 Millimeter (mm) | 
| Type stroom | AC | 
| Stroommeetbereik | 0,1 - 32 Ampère | 
| Externe stroomtransformator | Nee | 
| Spanningsmeetbereik | 230 Volt | 
| Spanningstype voedingsspanning | AC | 
| Externe stroomvoorziening vereist | Nee | 
| Met afneembare klemmen | Nee | 
| 1-fase-hysterese mogelijk | Nee | 
| 3-fasen-hysterese mogelijk | Nee | 
| 1-fase-onderstroom mogelijk | Nee | 
| 3-fasen-onderstroom mogelijk | Nee | 
| 1-fase-overstroom mogelijk | Nee | 
| 3-fasen-overstroom mogelijk | Nee | 
| Bevat functie gelijkspanningsonderstroom | Nee | 
| Bevat functie gelijkspanningsoverstroom | Nee | 
| Functie gelijkstroomhysterese | Nee | 
| Uitvoering elektrische aansluiting | Schroefaansluiting | 
| Nom. stuurspanning bij AC 50 Hz | 250 Volt | 
| Nom. stuurspanning bij AC 60 Hz | |
| Nom. stuurspanning bij DC | |
| Spanningstype van de bedrijfsspanning | AC | 
| Nom. (meet)schakelstroom | 16 Ampère (A) | 
| Voedingsspanning bij AC 50Hz | 230 Volt | 
| Voedingsspanning bij AC 60Hz | |
| Voedingsspanning bij DC | |
| Max. toegestane opkomvertragingstijd | |
| Min. instelbare opkomvertragingstijd | |
| Max. toegestane afvalvertragingstijd | 120 Seconde (s) | 
| Min. instelbare afvalvertragingstijd | 0 Seconde (s) | 
| Aanspreekwaarde stroomsterkte 1 | |
| Aanspreekwaarde stroomsterkte 2 | |
| Bedrijfsspanning bij AC 50 Hz | 230 Volt | 
| Bedrijfsspanning bij AC 60 Hz | |
| Bedrijfsspanning bij DC | 230 Volt | 
| Type stuurspanning | AC | 
| Aantal contacten als verbreekcontact | 0 | 
| Aantal contacten als maakcontact | 0 | 
| Aantal contacten als wisselcontact | 1 | 
| 22001130 |