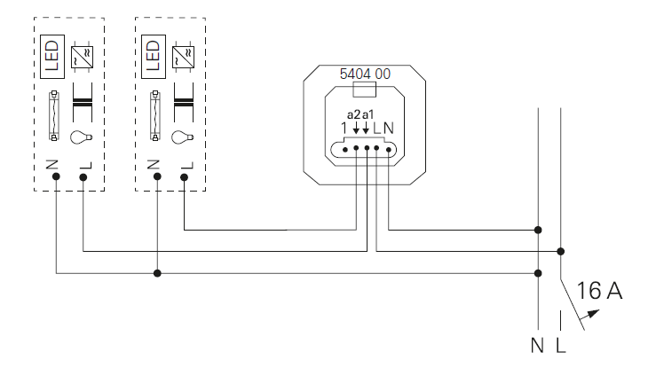
Systeem 3000 serie relais schakelaar voor het maken van vrijwel alle soorten schakelingen met twee gescheiden kanalen (nuldraad vereist). Zie omschrijving voor de toegestane belasting. Afdekken met een Systeem 3000 serie tastdimmerknop en afdekraam.
Kenmerken:
- schakelen van verlichting en eenfasige motoren
- aansluiten van neveneenheden mogelijk*
- testbedrijf voor functiecontrole
- bedrijf met aansluiting neutrale geleider (werkt enkel met aangesloten nuldraad)
Technische gegevens:
Nominale spanning: AC 230 V~
Netfrequentie: 50 / 60 Hz
Stand-by-vermogen afhankelijk van het ele-ment: ca. 0,1 ... 0,5 W
Omgevingstemperatuur: -25 ... +45 °C
Opslag-/ transporttemperatuur: -20 ... +70 °C
Schakelstroom per apparaat: S 16 A
Schakelstroom per kanaal bij 25 °C:
Ohms: 10 A (AC1)
Minimale schakelstroom AC: 100 mA
Motoren: 3 A (cos f 0,68)
Belasting (Aansluitvermogen per kanaal bij 25 °C):
Aanwijzingen:
- bij een hogere omgevingstemperatuur dan 25 °C moet de aangesloten last gereduceerd worden
| Specificatie | Waarde |
|---|---|
| Montagewijze | Inbouw (stucwerk) |
Belangrijk: vanaf augustus 2024 zijn er nieuwe types Gira schakelaars en schakelwippen. Deze zijn niet te combineren met de oude modellen.
Klik hier voor meer informatie, zodat je altijd het juiste bestelt.